1. 91免费网站在线观看,91成人在线视频,91官网视频在线观看,91APP免费下载安装

      服务☆热线

      0571-8853-1747
      网站导航
      板框91成人在线视频
      当前位置: 首页 > 公司产品 > 板框91成人在线视频

      小型实验室91成人在线视频——B315型板框式91成人在线视频

      产品时间:2025-03-25 09:26:13

      简要描述:

      厢式、板框式91成人在线视频是悬浮液固、液两相分离的理想设备。该系列91成人在线视频为板框式手动或千斤顶压紧机型。滤板尺寸315mm280mm 至650mm650mm,压紧方式:S

      详细介绍

      B420.jpg

      厢式、板框式91成人在线视频是悬浮液固、液两相分离的理想设备。该系列91成人在线视频为板框式手动或千斤顶压紧机型。滤板尺寸315mm×280mm 至650mm×650mm,压紧方式:S 为手动螺杆型。J 为手动千斤顶型。机器结构简便,操作易行。该系列91成人在线视频机型较小,压紧、卸料均为手动操作.91成人在线视频有明流,暗流之分,它们各自又有滤饼的可洗式和不可洗式。该系列91成人在线视频主要规格有:BAMSJ0.4~3/ 315-UBK-Ⅰ;

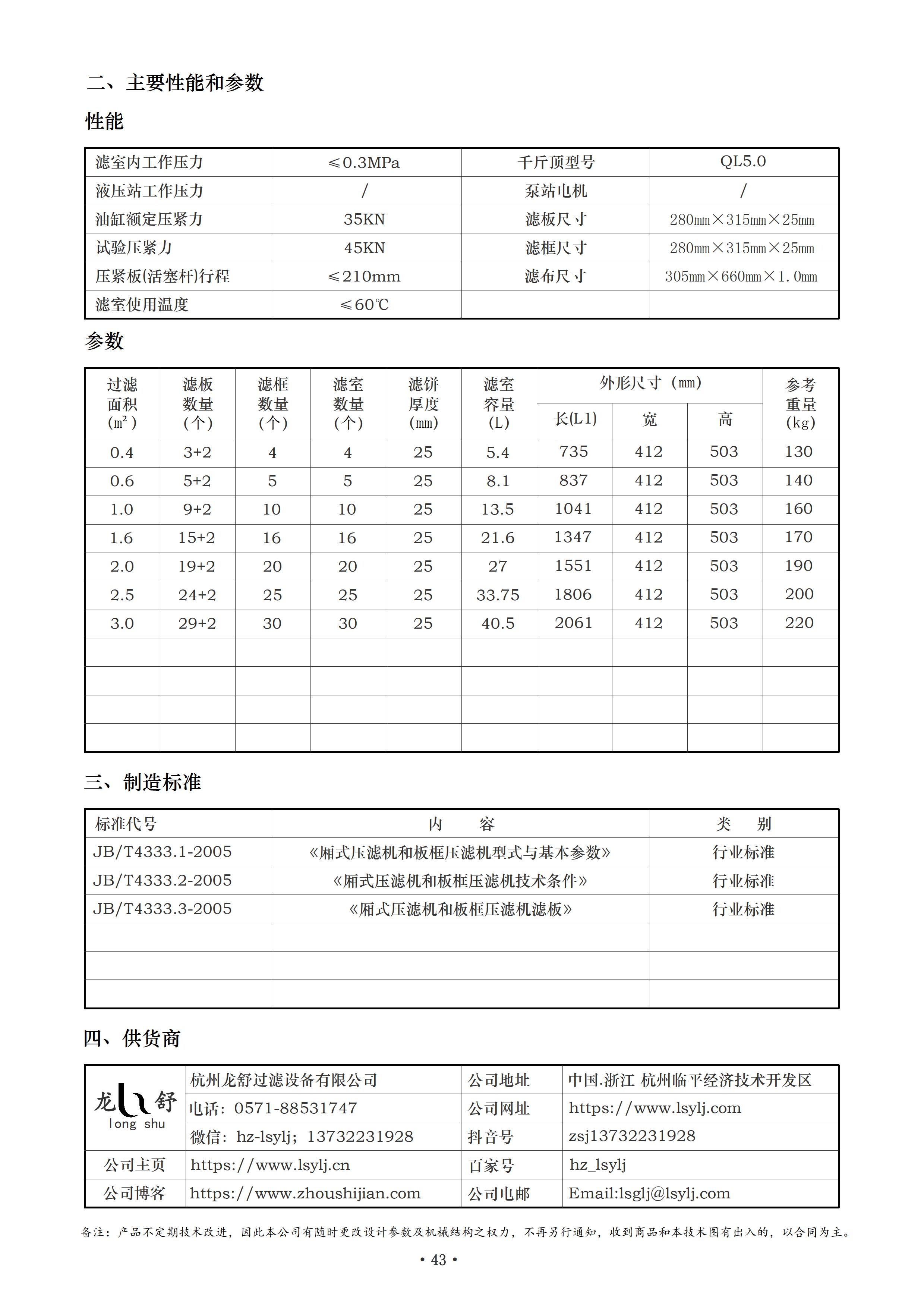
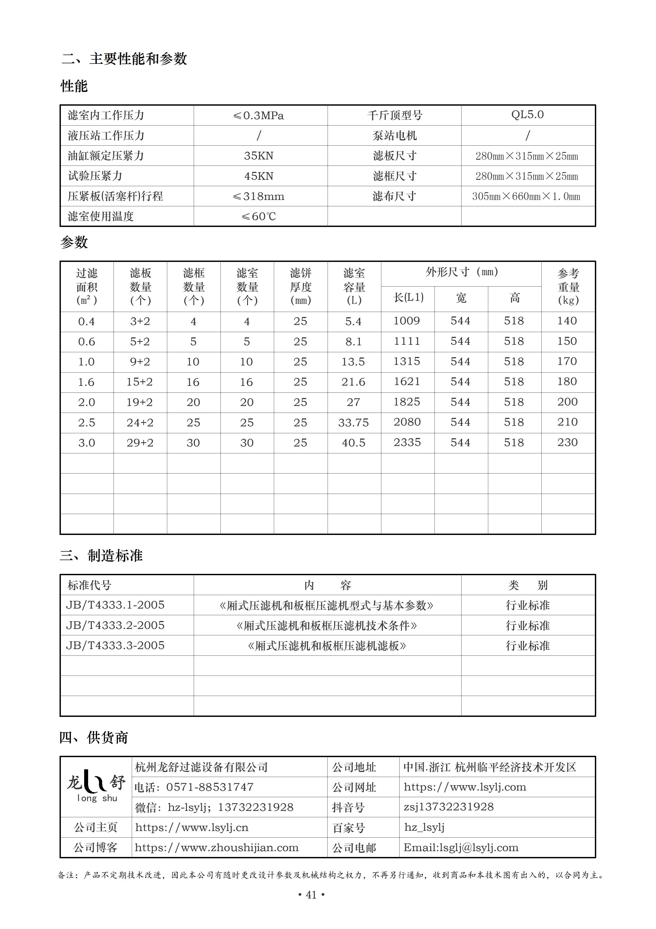
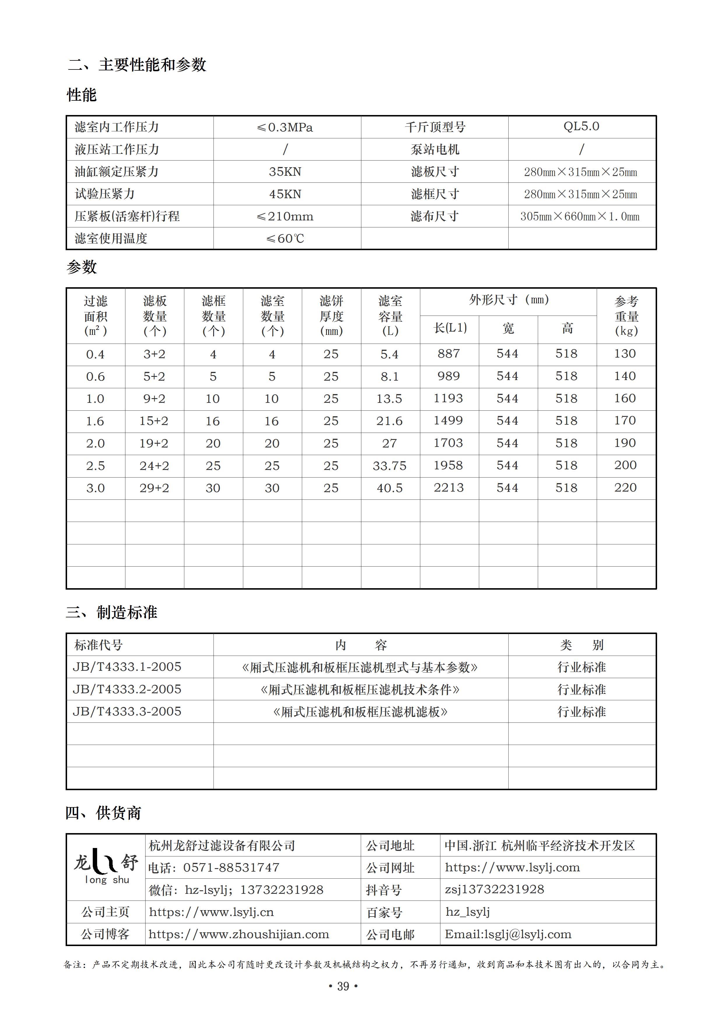
      技术性能

      过滤压力

      ≤0.6 MPa

      压紧力

      ≤33 KN

      压紧板行程

      ≤210 mm

      使用温度

      ≤100℃

      主要技术参数

      过滤面积

      m2

      滤板数量

      (块)

      滤室

      数量

      (个)

      滤饼

      厚度

      mm

      滤室

      容积

      L

      外形尺寸

      mm

      机器

      质量

      t

      进料

      管孔

      直径

      mm

      洗涤

      出液

      管孔

      直径

      滤框

      滤板

      0.6

      6

      5

      6

      25

      8

      1003

      564

      492

      0.17

      25

      25

      1.0

      10

      9

      10

      13

      1207

      0.19

      1.6

      16

      15

      16

      21

      1513

      0.22

      2

      20

      19

      20

      26

      1717

      0.24

      2.5

      25

      24

      25

      33

      1972

      0.26

      3

      30

      29

      30

      39

      2227

      0.29

      基础尺寸

      过滤面积(m2)

      尺寸L1(mm)

      过滤面积(m2)m2

      尺寸L1(mm)

      0.6

      731

      2.0


      1.0

      935

      2.5

      1700

      1.6

      1241

      3.0

      1955

      BSJ0.4~3/ 315-UBK系列小型板框91成人在线视频是一种常用于固液分离的设备,有如下特点:
      板框结构:由滤板和滤框交替排列组成过滤室。滤板尺寸为315mm×280mm,这种规格适合处理小批量物料,比较适合实验室研究或中小型企业的生产需求。

      压紧方式:属于手动压紧机型,“J”代表手动千斤顶型,通过手动操作千斤顶实现滤板的压紧,结构简便,不过压紧和卸料都需要人工操作,自动化程度相对较低。
      过滤压力:≤0.6MPa,在这个压力范围内,能够有效实现固液分离,保证过滤效果。
      压紧力:33KN,提供足够的压力使滤板紧密贴合,防止物料泄漏,确保过滤过程的顺利进行。
      压紧板行程:210mm,该行程设计能满足一定厚度滤饼的形成和排出。
      使用温度:60℃,说明该91成人在线视频能够在较高温度环境下工作,但一般适用于不超过60℃的物料过滤。

      B315滤板.jpg

      B315滤框.jpg

      过滤原理:滤板与滤框交替排列,滤框之间形成过滤室。物料进入后,通过滤板上的孔洞流入滤室,固体颗粒被截留在滤框上,而液体则透过滤板流出。加压后,固体被压缩并排出,实现固液分离。

      操作流程:首先,将待过滤物料倒入91成人在线视频中;接着,通过手动千斤顶将板框压紧,实现固液分离;然后,开启滤液排放阀门,将滤液排出;最后,松开板框,清理滤饼,重复上述步骤进行下一轮过滤。
      应用领域:广泛应用于化工、食品、制药、环保等行业。在化工行业可用于处理各类悬浮液;食品行业可用于果汁、乳品等产品加工;制药行业可用于提取、纯化药物成分;环保行业可用于处理工业废水、污泥等。
      设备优点:结构简单,操作易行,对于一些小型企业或实验室来说,不需要复杂的操作技能和专业人员即可进行操作。同时,它能够实现较高的过滤精度,特殊设计的滤布可截留粒径小于1μm的粒子,使滤液清澈,固体回收率高,能满足不同用户对固液分离效果的要求。
      设备缺点:属于间歇操作设备,基建设备投资较大,过滤能力相对较低,处理大批量物料时效率可能不如一些大型自动化压滤设备。

      BJ315-1.jpg

      BJ315-2.jpg

      BS315-1.jpg

      BS315-2.jpg

      BSJ315-1.jpg

      BSJ315-2.jpg

      声明一下:本网站上展示的产品仅用于工业上的污水固、液分离,由于产品的专业性和专用性,每件商品的具体性能和使用方法均不尽相同,页面上的描述仅供参考,并不适用于每个具体商品,您在决定购买之前,务必事前(老板电话13732231928)沟通。谢谢您的理解和支持!(本站仅用于产品展示,不接受线上交易)

       


      产品咨询

      留言框

      • 产品名称:

      • 留言内容:

      • 您的单位:

      • 您的姓名:

      • 联系电话:

      • 常用邮箱:

      • 详细地址:

      推荐产品

      Copyright © 2012-2026 杭州91免费网站在线观看过滤设备有限公司 版权所有  浙ICP备34611259号-7浙公网安备 33011302000424号

      地址:浙江省杭州市临平区临平经济技术开发区 万达广场5幢 电话:0571-8853-1747 邮箱:lsglj@lsylj.com;免责声明:网站产品描述若涉及到“极限词”则全部作废;凡访问者本公司均认为您已知晓、理解并已经同意声明。另,本网站功能仅作产品展示作用,不支持在线交易,如需购买相关产品,请联系我司销售部门,线下签合同,货款走公司账户,并开增值税专用发票,产品质量或功效均以合同约束为准。

      关注91免费网站在线观看

       

      码字不易,若有需要,请联系我!

      技术支持:137-3223-1928

      业务联系:0571-88531747

      联系人:周经理(微信hz-lsylj)

      ×
      网站地图